一、实验目的
熟悉 MIPS 处理器的常用指令集(10 条)
掌握单周期处理器数据通路和控制单元的设计方法
基于增量方式,实现单周期 MIPS 处理器;
基于测试用例对所设计的单周期 MIPS 处理器进行功能验证。
二、实验环境
操作系统:Windows 10 或 Ubuntu 16.04
开发环境:Xilinx Vivado 2018.2
硬件平台:远程 FPGA 硬件云平台
三、实验原理
处理器(CPU)本质上是一个复杂的数字时序电路。通常,时序电路由记忆部件(如寄存器、存储器等)和组合逻辑构成。记忆部件用于保存电路的工作状态,而组合逻辑则由逻辑门组成,提供电路的所有逻辑功能。在组合逻辑的作用下,电路从一个状态转化为另一个状态,这样的电路也称为“状态机”。因此,单周期 MIPS 处理器在概念上也可以被看作一个大规模的状态机,如下图所示。其中,组合逻辑依据当前记忆部件中的值(即电路的现态)对指令进行处理,这个处理过程将再次修改记忆部件的值,使电路达到新状态(即电路的次态)。

在设计单周期 CPU 这样复杂的时序电路系统时,通常的方法是从包含记忆部件的硬件开始。这些元件包括存储器和寄存器,寄存器又可分为程序计数器和寄存器文件。然后,在这些存储元件之间增加组合逻辑基于当前状态计算新的状态。从指令存储器中读取指令,然后译码时访问寄存器文件获取操作数,再使用加载和存储指令从数据存储器中读取和写入数据。下面给出了具有 4 种状态元件(程序计数器 PC、寄存器文件、指令存储器和数据存储器)的框图。

四、实验内容
基于 SystemVerilog HDL 设计并实现单周期 MIPS 处理器——MiniMIPS32。
该处理器具有如下特点:
⚫ 32 位数据通路
⚫ 小端模式
⚫ 支持 10 条指令:lw、sw、lui、ori、addiu、addu、slt、beq、bne 和 j
⚫ 寄存器文件由 32 个 32 位寄存器组成,采用异步读/同步写工作模式
⚫ 采用哈佛结构(即分离的指令存储器和数据存储器),指令存储器由ROM构成,采用异步读工作模式;数据存储器由 RAM 构成,采用异步读/同步写工作模式。
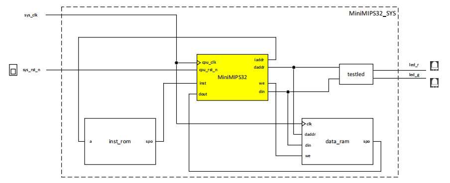
顶层模块MiniMIPS32_SYS结构图如下:

下表给出了给出了顶层模块 MiniMIPS32_SYS 的输入/输出端口。

最终设计实现的单周期MIPS处理器能够运行所提供的6个测试用例 mem.S,i-type.S,r-type.S,branch.S,sort_sim.S 和 sort_board.S。其中,前 5 个只能用于功能仿真;最后一个可以上传到远程 FPGA 硬件云平台完成功能验证,如果测试通过则 LED 灯 led_g 被点亮为绿色,否则 LED 灯 led_r 被点亮为红色。
五、实验步骤
(一)MiniMIPS的总体设计
由于MiniMIPS32模块较为复杂,所以我划分为了6个子模块,对应不同的功能
由于CPU的执行指令过程为:取指、译码、执行、访存、写回(、更新PC),因此我划分为ControlUnit 、Register_File、ALUOps、RegWriteDataSelect、AddressCalculation、pc这六个子模块,功能如下:
指令获取:从指令存储器中获取当前指令,并将指令传递给 ControlUnit 进行译码。
译码:ControlUnit 根据指令的操作码和功能码,生成相应的控制信号,指导各个模块的操作。
寄存器读写:Register_File 根据控制信号和指令中的寄存器地址,进行寄存器的读写操作。
ALU 操作:ALUOps 根据控制信号,对操作数进行相应的运算,并输出结果。
数据选择:RegWriteDataSelect 根据控制信号,选择写回寄存器的数据和目标地址。
地址计算:AddressCalculation 根据控制信号和指令,计算下一条指令的地址。
程序计数器更新:pc 模块在时钟上升沿更新程序计数器的值。
1. ControlUnit.sv
功能描述:
控制单元模块根据指令操作码 (
op) 和功能码 (funct),生成各种控制信号,以指导处理器的不同部分如何操作。该模块输入操作码和功能码,并输出多个控制信号。
输入信号:
op:指令的操作码。funct:指令的功能码(仅对 R 型指令有用)。RD1、RD2:来自寄存器文件的两个操作数。daddr:数据存储器地址。
输出信号:
we:数据存储器写使能信号。we3:寄存器文件写使能信号。pcflag:程序计数器更新标志。regdst:寄存器目标选择信号。mem_to_reg:内存到寄存器数据选择信号。j_flag:跳转指令标志。alusrc:ALU 第二操作数选择信号。AluControl:ALU 控制信号。
作用:
根据指令类型和具体功能,生成相应的控制信号,确保处理器各个部分按照预期的方式操作。例如,
lw和sw指令需要访问数据存储器,ControlUnit生成的信号会指示数据存储器进行读或写操作。
2. Register_File.sv
功能描述:
寄存器文件模块实现了一个包含 32 个 32 位寄存器的存储结构。提供对寄存器的读写功能。
输入信号:
sys_clk:系统时钟信号。WE3:写使能信号。sys_rst_n:系统复位信号(低电平有效)。A1、A2、A3:要读取或写入的寄存器地址。WD3:要写入寄存器的数据。
输出信号:
RD1、RD2:从寄存器读取的数据。
作用:
在时钟上升沿或复位时,更新寄存器值。根据输入地址和控制信号,实现对寄存器的读写操作。
3. ALUOps.sv
功能描述:
ALU 操作模块实现算术逻辑单元 (ALU) 的功能。根据控制信号执行不同的运算,如加法、减法、与、或等。
输入信号:
alu1:ALU 的第一个操作数。alu2:ALU 的第二个操作数。AluControl:控制信号,决定 ALU 要执行的具体操作。
输出信号:
aluresult:ALU 运算结果。
作用:
根据
AluControl信号,对alu1和alu2进行相应的运算,并输出结果。例如,如果AluControl信号指示加法操作,ALU 就会对alu1和alu2进行加法运算,并将结果输出到aluresult。
4. RegWriteDataSelect.sv
功能描述:
该模块负责选择写回寄存器的数据和目标寄存器地址。
输入信号:
regdst:寄存器目标选择信号,决定写回寄存器地址是rd还是rt。mem_to_reg:内存到寄存器数据选择信号,决定写回的数据是来自 ALU 还是数据存储器。rt、rd:指令中的寄存器地址字段。aluresult:ALU 运算结果。dout:从数据存储器读取的数据。
输出信号:
A3:要写入的寄存器地址。WD3:要写入寄存器的数据。
作用:
根据
regdst信号,决定要写入的寄存器地址是rd还是rt。根据mem_to_reg信号,决定写入寄存器的数据是 ALU 结果还是从内存读取的数据。
5. AddressCalculation.sv
功能描述:
地址计算模块负责计算下一条指令的程序计数器 (PC) 值。
输入信号:
pcflag:程序计数器更新标志。j_flag:跳转指令标志。next_addr:当前的程序计数器值。extend:符号扩展后的立即数。instr_index:跳转指令的目标地址。
输出信号:
current_addr:计算后的下一条指令地址。
作用:
根据
pcflag和j_flag信号,决定程序计数器的更新方式。处理顺序执行、条件分支和无条件跳转等情况,计算出下一条指令的地址。
6. pc.sv
功能描述:
程序计数器 (PC) 模块实现程序计数器的功能。
输入信号:
cpu_clk:系统时钟信号。cpu_rst_n:系统复位信号(低电平有效)。current_addr:当前的程序计数器值。
输出信号:
next_addr:更新后的程序计数器值。
作用:
在时钟上升沿,根据复位信号和输入的
current_addr,更新程序计数器的值。确保处理器按照正确的指令地址执行。
(二)lw 和 sw(访存类指令)
1.ControllerUnit.sv
在 ControlUnit 模块中添加 lw 和 sw 指令的控制逻辑。
module ControlUnit(
input logic [5:0] op,
input logic [5:0] funct,
input logic [31:0] RD1,
input logic [31:0] RD2,
input logic [31:0] daddr,
output logic we,
output logic we3,
output logic pcflag,
output logic regdst,
output logic mem_to_reg,
output logic j_flag,
output logic [1:0] alusrc,
output logic [1:0] AluControl
);
always_comb begin
we = 0;
we3 = 0;
pcflag = 0;
regdst = 0;
mem_to_reg = 0;
j_flag = 0;
alusrc = 2'b00;
AluControl = 2'b00;
case(op)
6'b100011: begin // lw
we = 0;
we3 = 1;
pcflag = 0;
regdst = 0;
alusrc = 2'b01;
mem_to_reg = 1;
j_flag = 0;
AluControl = 2'b00;
end
6'b101011: begin // sw
we = (daddr[31:16] != 16'h8000 && daddr[31:16] != 16'h8004);
we3 = 0;
pcflag = 0;
regdst = 0;
alusrc = 2'b01;
mem_to_reg = 0;
j_flag = 0;
AluControl = 2'b00;
end
default: pcflag = 0;
endcase
end
endmodulelw 指令:控制信号 we 设为 0(不写数据存储器),we3 设为 1(写寄存器文件),alusrc 设为 2'b01(选择符号扩展后的立即数作为 ALU 的第二个操作数),mem_to_reg 设为 1(选择从数据存储器读取的数据写回寄存器),AluControl 设为 2'b00(执行加法操作)。
sw 指令:控制信号 we 根据地址判断是否写数据存储器(避免与特定地址冲突),we3 设为 0(不写寄存器文件),alusrc 设为 2'b01,mem_to_reg 设为 0,AluControl 设为 2'b00。
2.Register_File.sv
寄存器文件模块,读取和写入寄存器。
在时钟上升沿或复位时,更新寄存器文件的值。
根据 WE3 信号,决定是否将 WD3 写入到地址 A3 对应的寄存器。
读取地址 A1 和 A2 对应的寄存器值,并分别输出到 RD1 和 RD2。
module Register_File(
input sys_clk,
input WE3,
input sys_rst_n,
input [4:0] A1,
input [4:0] A2,
input [4:0] A3,
input [31:0] WD3,
output logic [31:0] RD1,
output logic [31:0] RD2
);
logic [31:0] r [31:0];
always_ff @(posedge sys_clk) begin
if (!sys_rst_n) begin
for (int i = 0; i < 32; i++) begin
r[i] <= 32'd0;
end
end
else if (WE3) begin
r[A3] <= WD3;
end
end
assign RD1 = r[A1];
assign RD2 = r[A2];
endmodule3.ALUOps.sv
实现加法操作,根据 AluControl 信号,执行加法操作。对于 lw 和 sw 指令,ALU 需要执行加法操作,将基址寄存器的值与立即数相加,得到内存访问地址。
module ALUOps(
input logic [31:0] alu1,
input logic [31:0] alu2,
input logic [1:0] AluControl,
output logic [31:0] aluresult
);
always_comb begin
case (AluControl)
2'b00: aluresult = alu1 + alu2; // 加法操作
default: aluresult = 32'b0;
endcase
end
endmodule4.RegWriteDataSelect.sv
选择写回寄存器的数据和目标寄存器地址。具体来讲
根据 regdst 信号,决定写回的寄存器地址是 rd 还是 rt。
根据 mem_to_reg 信号,决定写回的数据是来自内存还是 ALU 运算结果。
module RegWriteDataSelect(
input logic regdst,
input logic mem_to_reg,
input logic [4:0] rt,
input logic [4:0] rd,
input logic [31:0] aluresult,
input logic [31:0] dout,
output logic [4:0] A3,
output logic [31:0] WD3
);
assign A3 = regdst ? rd : rt;
assign WD3 = mem_to_reg ? {dout[7:0], dout[15:8], dout[23:16], dout[31:24]} : aluresult;
endmodule5.AddressCalculation.sv
计算下一条指令的程序计数器 (PC) 值。处理顺序执行和条件分支指令,计算下一条指令的地址。
对于 lw 和 sw 指令,程序计数器顺序递增。
module AddressCalculation(
input logic pcflag,
input logic j_flag,
input logic [31:0] next_addr,
input logic [31:0] extend,
input logic [25:0] instr_index,
output logic [31:0] current_addr
);
always_comb begin
if (!j_flag) begin
if (!pcflag)
current_addr = next_addr + 4;
else
current_addr = next_addr + 4 + (extend << 2);
end else begin
logic [31:0] mid = next_addr + 4;
current_addr = {mid[31:28], instr_index, 2'b00};
end
end
endmodule6.pc.sv
程序计数器模块,在时钟上升沿,根据复位信号和输入的 current_addr,更新程序计数器的值。
module pc(
input logic cpu_clk,
input logic cpu_rst_n,
input logic [31:0] current_addr,
output logic [31:0] next_addr
);
always_ff @(posedge cpu_clk) begin
if (!cpu_rst_n)
next_addr <= 32'd0;
else
next_addr <= current_addr;
end
endmodule7.顶层模块
将各个子模块联系起来构成完整的系统
从指令存储器获取当前指令,传递给 ControlUnit 进行译码,生成控制信号。
根据控制信号,Register_File 模块读取或写入寄存器。
ALUOps 模块执行相应的运算,并输出结果。
RegWriteDataSelect 模块选择写回寄存器的数据和目标地址。
AddressCalculation 模块计算下一条指令的地址。
pc 模块在时钟上升沿更新程序计数器的值。
`include "defines.sv"
module MiniMIPS32(
input logic cpu_clk,
input logic cpu_rst_n,
output logic [31:0] iaddr,
input logic [31:0] inst,
output logic [31:0] daddr,
output logic we,
output logic [31:0] din,
input logic [31:0] dout
);
logic [31:0] Instruction;
logic [5:0] op, funct;
logic [4:0] rs, rt, rd;
logic [15:0] imm;
logic [25:0] instr_index;
logic [31:0] current_addr;
logic [31:0] next_addr;
logic [31:0] aluresult;
logic [31:0] extend;
logic [31:0] extend_0;
logic [31:0] alu1;
logic [31:0] alu2;
logic [31:0] RD1;
logic [31:0] RD2;
logic [31:0] WD3;
logic [4:0] A3;
logic we3, pcflag, regdst, mem_to_reg, j_flag;
logic [1:0] alusrc, AluControl;
assign Instruction = {inst[7:0], inst[15:8], inst[23:16], inst[31:24]};
assign op = Instruction[31:26];
assign rs = Instruction[25:21];
assign rt = Instruction[20:16];
assign rd = Instruction[15:11];
assign imm = Instruction[15:0];
assign funct = Instruction[5:0];
assign instr_index = Instruction[25:0];
ControlUnit cu(
.op(op),
.funct(funct),
.RD1(RD1),
.RD2(RD2),
.daddr(daddr),
.we(we),
.we3(we3),
.pcflag(pcflag),
.regdst(regdst),
.mem_to_reg(mem_to_reg),
.j_flag(j_flag),
.alusrc(alusrc),
.AluControl(AluControl)
);
Register_File rf(
.sys_clk(cpu_clk),
.WE3(we3),
.sys_rst_n(cpu_rst_n),
.A1(rs),
.A2(rt),
.RD1(RD1),
.RD2(RD2),
.A3(A3),
.WD3(WD3)
);
always_comb begin
extend = {{16{imm[15]}}, imm};
extend_0 = {16'b0, imm};
alu1 = RD1;
alu2 = (alusrc == 2'b00) ? RD2 : (alusrc == 2'b01) ? extend : extend_0;
end
ALUOps alu_ops(
.alu1(alu1),
.alu2(alu2),
.AluControl(AluControl),
.aluresult(aluresult)
);
RegWriteDataSelect reg_write_data_select(
.regdst(regdst),
.mem_to_reg(mem_to_reg),
.rt(rt),
.rd(rd),
.aluresult(aluresult),
.dout(dout),
.A3(A3),
.WD3(WD3)
);
AddressCalculation addr_calc(
.pcflag(pcflag),
.j_flag(j_flag),
.next_addr(next_addr),
.extend(extend),
.instr_index(instr_index),
.current_addr(current_addr)
);
assign daddr = aluresult;
assign {din[7:0], din[15:8], din[23:16], din[31:24]} = RD2;
pc pc_count(
.cpu_clk(cpu_clk),
.cpu_rst_n(cpu_rst_n),
.current_addr(current_addr),
.next_addr(next_addr)
);
assign iaddr = next_addr;
endmodule(二)lui、ori 和 addiu(I-型指令)
1.ControllerUnit.sv
..........
6'b101011: begin // sw
we = (daddr[31:16] != 16'h8000 && daddr[31:16] != 16'h8004);
we3 = 0;
pcflag = 0;
regdst = 0;
alusrc = 2'b01;
mem_to_reg = 0;
j_flag = 0;
AluControl = 2'b00;
end
6'b001111: begin // lui
we = 0;
we3 = 1;
pcflag = 0;
regdst = 0;
alusrc = 2'b10;
mem_to_reg = 0;
j_flag = 0;
AluControl = 2'b10;
end
6'b001101: begin // ori
we = 0;
we3 = 1;
pcflag = 0;
regdst = 0;
alusrc = 2'b10;
mem_to_reg = 0;
j_flag = 0;
AluControl = 2'b01;
end
6'b001001: begin // addiu
we = 0;
we3 = 1;
pcflag = 0;
regdst = 0;
alusrc = 2'b01;
mem_to_reg = 0;
j_flag = 0;
AluControl = 2'b00;
end
..........2.ALUOps.sv
..........
always_comb begin
case (AluControl)
2'b00: aluresult = alu1 + alu2; // 加法操作
2'b01: aluresult = alu1 | alu2; // ORI 操作
2'b10: aluresult = alu2 << 16; // LUI 操作
default: aluresult = 32'b0;
endcase
end
..........3.顶层模块
为了使 lui 指令工作,需要确保立即数在 lui 指令中的扩展方式正确。以下代码片段应在顶层模块的 always_comb 块中:
..........
always_comb begin
extend = {{16{imm[15]}}, imm};
extend_0 = {imm, 16'b0}; // 对于LUI指令,高16位是立即数,低16位为0
alu1 = RD1;
alu2 = (alusrc == 2'b00) ? RD2 : (alusrc == 2'b01) ? extend : extend_0;
end
..........以上增加的代码片段在 ControlUnit.sv 和 ALUOps.sv 中添加了对 lui、ori 和 addiu 指令的控制逻辑和操作,实现了对这三条 I-型指令的支持。在顶层模块中添加了立即数的扩展方式以支持 lui 指令。
(三)addu 和 slt(R-型指令)
1.ControllerUnit.sv
..........
6'b001001: begin // addiu
we = 0;
we3 = 1;
pcflag = 0;
regdst = 0;
alusrc = 2'b01;
mem_to_reg = 0;
j_flag = 0;
AluControl = 2'b00;
end
6'b000000: begin // R-type
if(funct == 6'b100001) begin // addu
we = 0;
we3 = 1;
pcflag = 0;
regdst = 1;
alusrc = 2'b00;
mem_to_reg = 0;
j_flag = 0;
AluControl = 2'b00;
end
else if(funct == 6'b101010) begin // slt
we = 0;
we3 = 1;
pcflag = 0;
regdst = 1;
alusrc = 2'b00;
mem_to_reg = 0;
j_flag = 0;
AluControl = 2'b11;
end
end
..........2.ALUOps.sv
..........
always_comb begin
case (AluControl)
2'b00: aluresult = alu1 + alu2; // 加法操作
2'b01: aluresult = alu1 | alu2; // ORI 操作
2'b10: aluresult = alu2 << 16; // LUI 操作
2'b11: aluresult = (alu1 < alu2) ? 32'b1 : 32'b0; // SLT 操作
default: aluresult = 32'b0;
endcase
end
..........3.顶层模块
顶层模块中,已包含了立即数扩展的代码,现需确保 funct 字段的操作也被正确处理:
..........
assign funct = Instruction[5:0];
..........(四)beq、bne 和 j(转移指令)
1.ControllerUnit.sv
..........
6'b000000: begin // R-type
if(funct == 6'b100001) begin // addu
we = 0;
we3 = 1;
pcflag = 0;
regdst = 1;
alusrc = 2'b00;
mem_to_reg = 0;
j_flag = 0;
AluControl = 2'b00;
end
else if(funct == 6'b101010) begin // slt
we = 0;
we3 = 1;
pcflag = 0;
regdst = 1;
alusrc = 2'b00;
mem_to_reg = 0;
j_flag = 0;
AluControl = 2'b11;
end
end
6'b000100: begin // beq
we = 0;
we3 = 0;
pcflag = (RD1 == RD2);
regdst = 0;
alusrc = 2'b00;
mem_to_reg = 0;
j_flag = 0;
AluControl = 2'b00;
end
6'b000101: begin // bne
we = 0;
we3 = 0;
pcflag = (RD1 != RD2);
regdst = 0;
alusrc = 2'b00;
mem_to_reg = 0;
j_flag = 0;
AluControl = 2'b00;
end
6'b000010: begin // j
we = 0;
we3 = 0;
pcflag = 0;
regdst = 0;
alusrc = 2'b00;
mem_to_reg = 0;
j_flag = 1;
AluControl = 2'b00;
end
..........2.AddressCalculation.sv
在 AddressCalculation 模块中已处理条件分支和无条件跳转的逻辑,无需增加新的代码,只需确保现有代码正确计算跳转地址:
..........
always_comb begin
if (!j_flag) begin
if (!pcflag)
current_addr = next_addr + 4;
else
current_addr = next_addr + 4 + (extend << 2);
end else begin
logic [31:0] mid = next_addr + 4;
current_addr = {mid[31:28], instr_index, 2'b00};
end
end
..........3.顶层模块
顶层模块中,已包含了对 instr_index 的处理代码,现需确保 pcflag 和 j_flag 信号被正确使用:
..........
assign instr_index = Instruction[25:0];
..........
always_comb begin
extend = {{16{imm[15]}}, imm};
extend_0 = {imm, 16'b0}; // 对于LUI指令,高16位是立即数,低16位为0
alu1 = RD1;
alu2 = (alusrc == 2'b00) ? RD2 : (alusrc == 2'b01) ? extend : extend_0;
pc_src = pcflag;
next_pc = (j_flag) ? {next_pc[31:28], instr_index, 2'b00} : (pc_src ? (next_pc + 4 + (extend << 2)) : (next_pc + 4));
end
..........(六)实验结果
仿真前加载相应的指令和数据,即分别加载XXX_inst.coe和XXX_data.coe

我对仿真测试的代码进行了略微的修改,以便于测试重置后是否能够再次正常运行,修改部分如下
initial begin
// Initialize Inputs
sys_clk = 0;
sys_rst_n = 0;
#400
sys_rst_n = 1;
//#15000 $stop;
#12000
sys_rst_n = 0;
#400
sys_rst_n = 1;
end仿真结果:

远程平台验证结果:

评论